来利国际AG旗舰厅(ZLKS.TOP)集团唯一官方网站来利国际AG旗舰厅

产品中心

产品中心

Product Center

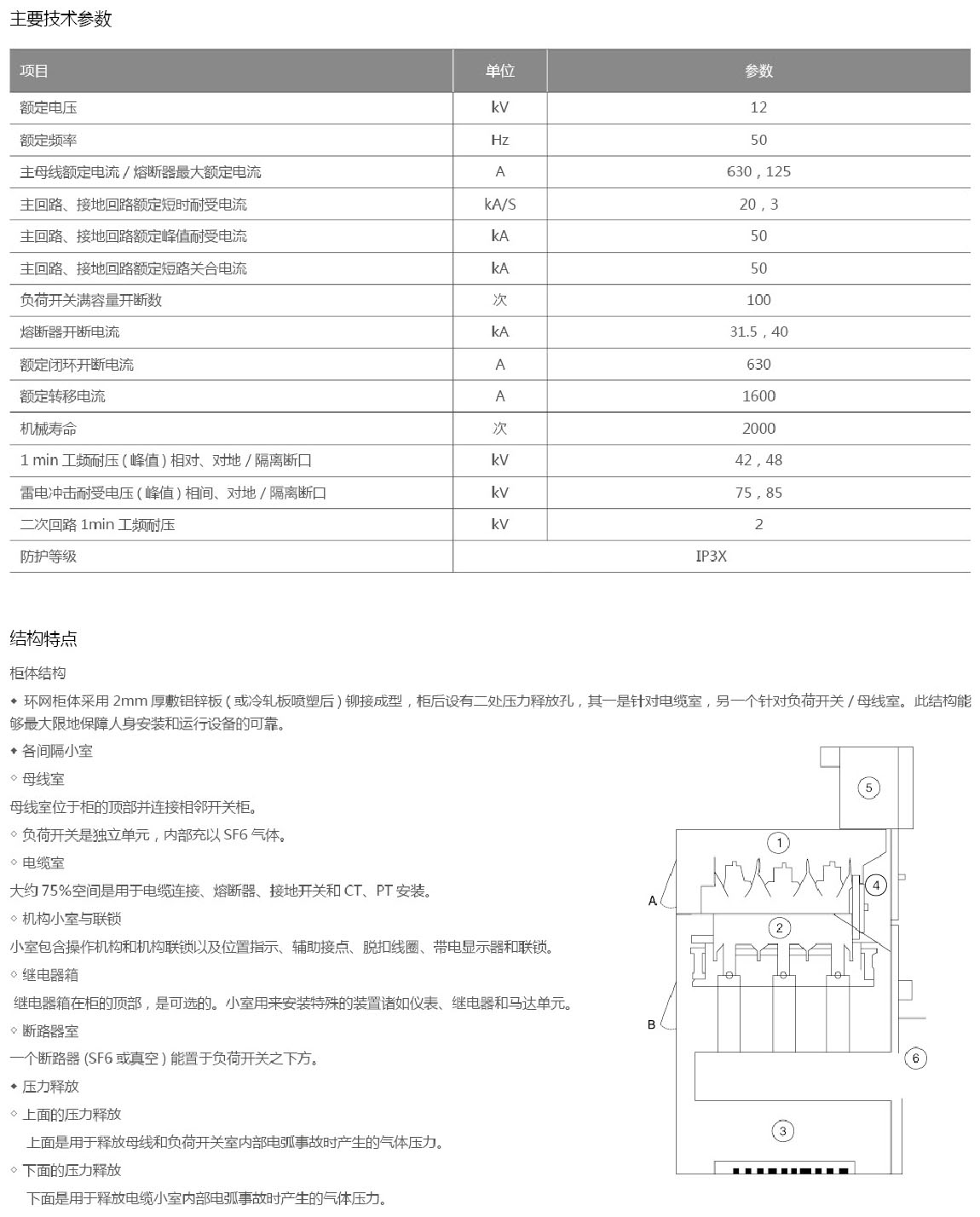
  • HXGN15-12单元式交流金属封闭环网开关设备
  • HXGN15-12单元式交流金属封闭环网开关设备
  • HXGN15-12单元式交流金属封闭环网开关设备
  • 产品详情

HXGN.jpg1.jpgHXGN.jpg2.jpgHXGN.jpg23jpg.jpg

相关产品

Related Products

来利国际AG旗舰厅